系統跳轉中請稍後
產品特點
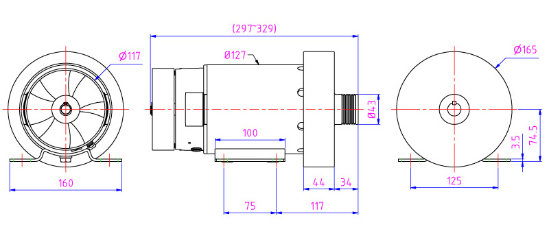
出力軸:中心軸
旋轉方向:雙向
碳刷馬達。
磁鐵:永磁磁鐵
高馬力輸出、承載力大、啟動速度快。
MIT / OEM。
可依照不同產品需求來進行 DC 跑步機馬達客製化,項目:馬力、前後蓋材質、飛輪、皮帶輪。
產品規格
操作電壓範圍:DC 10V~220V
馬達直徑:φ 127mm
馬力範圍:2-3HP
跑步機直流馬達, 3HP馬達, 碳刷馬達, 1馬力跑步機馬達, 2HP直流馬達
祥能精機跑步機馬達HN1270,專業運動員專用跑步機馬達系列,外徑φ127mm,可客製範圍為10V~180V,2-3HP大馬力規格,被使用在專業運動員訓練、專業健身競技設備、工業攪拌機、工業設備等領域。由祥能研發團隊監製調整具有高穩定性、高輸出、低噪音、低升溫、容易安裝等優點,多項商品通過CCC、CE、ROHS、UL檢驗認證,QC部門在結構與原料上祥能不斷的提升與把關,來保持最佳穩定、輸出與節能的表現。
祥能馬達供應商HN1270跑步機直流馬達系列目前廣泛使用在各種運動設備與工業設備以及商業食品設備上,如:專業健身器材、專業跑步機、工業用機器人、自動化機械手臂、電動車輛、攪拌機等設備上。
◆ 可視需求客製各式馬力、RPM、扭力、電壓、出力軸等參數以及外加飛輪、皮帶輪、外蓋來符合您的需求。
2107270307442.jpg)