系統跳轉中請稍後
產品功能
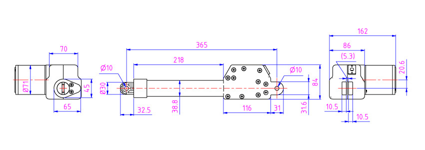
電壓:DC12V~220V
推力:200KGS
升降長度:70mm-200mm
升降馬達, 直線電動推桿, 螺桿式電動推桿馬達, 線性致動器, 直線驅動器
大推力直線電動推桿71LA系列,升降桿外徑30mm+固定孔10mm,最大推力可到200KGS,推桿長度範圍70mm-200mm,廣泛應用在各種運動員訓練設備、健身器材、排煙窗戶、消防升降設備、醫療設備、自動閘門、電動升降曬衣架、自動化機器人、電動車、智能傢俱、升降床、電動護理床、電動升降桌椅等設備上。
電動伸縮式升降馬達可選搭各式祥能直流電動機具備高直線精度、低震動、低噪音、輕薄造型,可外接控制系統(編碼器),電源,運轉安全,推桿長度皆可根據客戶產品需求客製。
2107271148302.jpg)