系統跳轉中請稍後
產品特點
出力軸:中心軸
旋轉方向:雙向
碳刷馬達、有刷馬達。
磁鐵:膠形磁鐵、環形磁鐵、瓦型磁鐵
高轉速、低耗能、效率佳。
MIT台灣製造。
可依照不同產品需求來進行微型/中型直流馬達客製化。
產品規格
操作電壓範圍:DC6V~24V
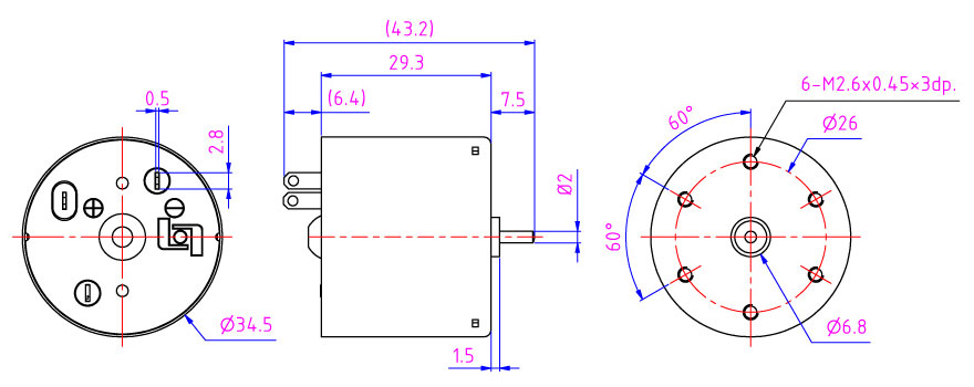
馬達外徑:φ34.5mm
有刷馬達, 微型馬達, 直流電機, 直流減速馬達, 給皂機幫浦馬達
外徑34.5mm直流馬達適用電壓為6V-24V,體積小且拆裝便利、節能、低噪音、適應性強、低故障率等特性,亦可搭配電壓轉換控制器或是減速箱來使用,直流碳刷馬達可應用於小型手工具、電動工具、空氣濾淨式呼吸防護具、娛樂遊戲機台、娃娃機、兌幣機、掃地機器人、智慧門鎖、咖啡機、自動販賣機、遙控車、醫療儀器、智慧門鎖、電動窗簾、電動車、電動輔助自行車、變速馬達腳踏車等各種產品上。
祥能精機 MIT台灣製造 DC 直流馬達系列,堅持同步生產馬達與減速箱來確保每項產品的高傳動性與高品質,皆可依照不同應用產品客製外徑尺寸大小、扭力規格、轉速等各項參數。
